1、公司簡介:
湖北可賽化工有限公司是中國兵器工業集團湖北東方化工有限公司和上海昊通投資管理集團有限公司共同出資成立的國有控股公司。公司成立于2006年12月6日,2015年11月吸納合并潛江市仙橋化學制品有限公司,公司是國家級高新技術企業、安全生產二級標準化達標企業,地處國家高新技術產業開發區——湖北潛江經濟開發區,注冊資本1.5億元,資產總額3.72億元,占地390畝,職工275人。擁有0.64平方公里的地下鹽鹵資源開采權,現有年產5萬噸離子膜燒堿和2.9萬噸甲基苯胺生產能力。主要產品:燒堿、液氯、高純鹽酸、工業鹽酸、次氯酸鈉等基礎化工產品和鄰甲苯胺、對甲苯胺、間甲苯胺等精細化工產品。
2、電壓暫降情況:
外部電網波動等原因造成每年晃電2到3次。2023年4月25日10時,園區10KV電網電壓波動,電壓暫降時長500ms。對空壓機、氫壓機、超純鹽水泵、磁力泵、鹽水泵、冰機等重要設備造成了很大影響。其中冰機是利用氣氨容易壓縮液化的性質來制冷的設備,由ATS48C41Q軟起動控制、超純鹽水泵、磁力泵、鹽水泵由西門子變頻器及電動機保護器控制,部分設備采用自藕降壓啟動,一旦發生電壓波動,給氣容量發生變化,會造成自動報警停機。該企業是兵工企業,安全等級要求高,設備停機會造成全廠停車,影響大,單次晃電停車造成上百萬損失。
3、解決方案:
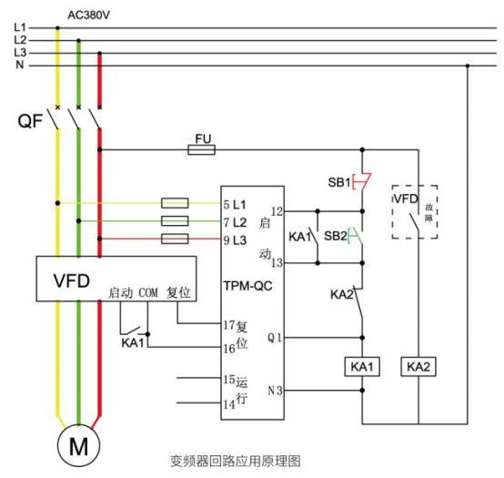
變頻軟起回路 采用TPM-QC抗晃電控制器
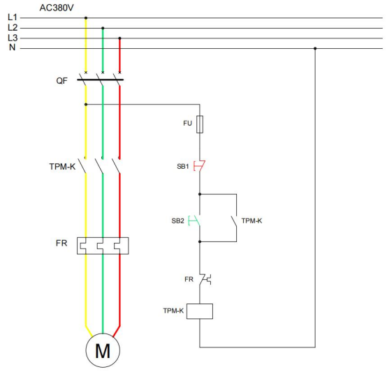
普通接觸器回路采用TPM-K抗晃電接觸器:
4、銷售合同:

5、驗收合格單:
